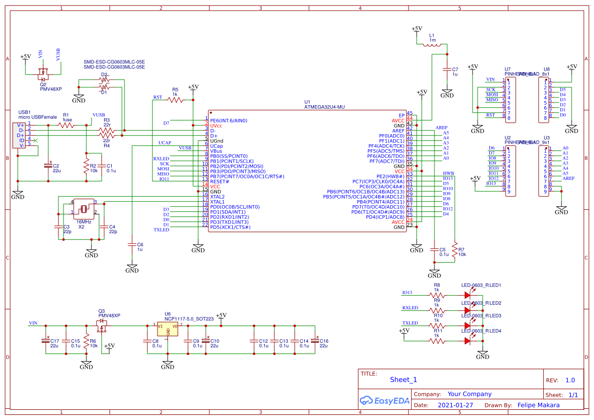
Vqfn-44_l7.0-W7.0-P0.50-Bl-Ep5.2 2024. 1.easy to use and quick to get started. 2.the process supports design scales of 300 devices or 1000 pads.

1.easy to use and quick to get started. 标签: atmel & avr 在编辑器中打开 12
Vqfn-44_l7.0-W7.0-P0.50-Bl-Ep5.2 2024 Images References :